عنفة

(تم التحويل من توربين)

العَنَفَة (أو التوربين Turbine في الترجمات الحرفية) هو جهاز ذو عضو دوّار، يديره سائل أو غاز متحرّك، مثل الماء والبخار والغاز والهواء. تغير العنفة الطاقة الحركيّة (طاقة الحركة) لسائل إلى نوع خاص من الطّاقة الحركيّة وهي طاقة الدّوران التي تُستخدم لتحريك الآلات. توصّل العنفة الطّاقة الميكانيكية إلى الآلات الأخرى عن طريق دوران المحور الدّوار.

عنفة مفتوحة الغطاء لشركة سيمنز

أي آلة تحول الطاقة الكامنة لجسم التشغيل (بخار ماء أو غاز أو سائل (ماء)) إلى طاقة ميكانيكية (عمل).

توفّر العنفة الطّاقة لآلات مختلفة، منها المولّدات الكهربائيّة ومضخات الماء. وفي الواقع، تنتج المولّدات التي تحرّكها عنفات معظم الكهرباء المستخدمة في إضاءة المنازل وتشغيل المصانع. وتؤدي العنفات التي تُشغّل مضخّات الماء دوراً مهماً في مشاريع الرّي في جميع أنحاء العالم. وتستخدم العنفات كذلك لتدوير مراوح السّفن، وتُعدُّ جزءًا مهمًّا في محّرك الطّائرة الّنفّاثة.

وهو يحرق أنواعًا من الوقود مثل الزّيت والغاز الطّبيعي. فبدلاً من استخدام الحرارة لإنتاج البخار ـ كما في عنفات البخار ـ فإن عنفات الغاز تستخدم الغازات الساخنة مباشرة. وتُستخدم عنفات الغاز لتشغيل المولّدات الكهربائيّة، والسفن، وسيّارات السباق، كما تستخدم في محّركات الطائرة النفاثة.

وتتكون معظم أنظمة العنفة الغازية من ثلاثة أجزاء رئيسية:: 1- ضاغط الهواء، 2- غرفة الاحتراق 3- العنفة . ويُسمى ضاغط الهواء مع غرفة الاحتراق، عادة، المولد الغازي. وفي معظم أنظمة عنفة الغاز، يكون ضاغط الهواء والعنفة مركّبين على طرفي محور أفقي، وتقع غرفة الاحتراق بينهما. ويُشغّل جزء من طاقة العنفة ضاغط الهواء.

لمحة تاريخية

تذكر بعض المراجع أن أول عنفة صُنعت منذ نحو 2000 عام من قبل هيرو Hero من الإسكندرية، كان مبدؤها يعتمد على نفث البخار والاستفادة من رد الفعل الناتج منه. وصنع أفري Avery من سيراقوس بنيويورك وولسون Wilson من جرينوك نحو عام 1837 تصميماً لآلة بالمبدأ نفسه (دواليب بخار متعددة رد الفعل) استخدمت في آلات الغزل، وسُمِّيت آلة أفري، قطرها الدوار خمسة أقدام (n5feet)، وسرعة دورانها 880 قدم بالثانية (n880 feet/sec).

كانت بداية التطور الحقيقي للعنفة في العام 1883عندما سجل المهندس السويدي كارل جوستاف باتريك دي لاڤال Carl Gustaf Patrick de Laval أول براءة اختراع في مجال العنفات، وقام المهندس الإنكليزي تشارلز ألجرنون بارسونز Charles Algernon Parsons عام 1884 بتصنيع أول عنفة حرارية صناعية، استُعملت هذه الآلة البخارية المكبسية استعمالاً رئيساً في مجالات تشغيل المصانع والسفن حتى عام 1900، وبدئ بعدها باستعمال أوسع للعنفة البخارية.

تطور استخدام محطات توليد الطاقة الكهربائية ذات العنفة البخارية التي تميزت بالاستطاعات العالية وزيادة في قيمة المؤشرات (parameters) الترموديناميكية للبخار (ضغط ودرجة حرارة، …) ما بين الأعوام 1925ـ 1950، ووصلت الاستطاعات حالياً في هذه المحطات لأكثر من مليون كيلووات، وبدئ منذ عام 1960باستخدام العنفة البخارية في المحطات النووية.

تذكر بعض المراجع أن أول براءة اختراع للعنفة الغازية مُنحت للإنجليزي جون باربر John Barber عام 1791، أي قبل أكثر من مئة عام لأول براءة اختراع لنموذج عنفة بخارية استُخدم عملياً من قبل دي ـ لاڤال وبار سونز، وذلك قبل أن يضع كارنو Carnot أُسس العمل في مجال علم الترموديناميك عام 1824.

تأخر تطور العنفة الغازية نحو خمسين سنة عن تطور العنفة البخارية، وظل تصنيع عنفة غازية لفترة طويلة مستحيلاً من الناحية التقانية؛ للافتقار إلى المعرفة الجيدة في مجال ديناميك الموائع التي لم تسمح بتصنيع ضاغط ذي مردود عالٍ، إضافة إلى عدم توافر المعدن ذو المواصفات المناسبة لتحمل درجة حرارة نواتج الاحتراق العالية. استمر ذلك حتى عام 1937 عندما استطاعت شركة بروان بوڤري Brown Boveri السويدية تطبيق هذه الفكرة..[1]


نظرية العمل

Turbines impulse v reaction.png

A working fluid contains potential energy (pressure head) and kinetic energy (velocity head). The fluid may be compressible or incompressible. يمتصّ ضاغط الهواء كمّية من الهواء ويضغطها، لذلك يزداد ضغطها. وفي غرفة الاحتراق، يختلط الهواء المضغوط مع الوقود ويحترق هذا الخليط. وكلّما زاد ضغط الهواء، تحسّن احتراق خليط الوقود مع الهواء. وتتمدّد الغازات المحترقة بسرعة وتتدفّق إلى العنفة ، مؤدية إلى دوران عجلات العنفة . وتتحرّك الغازات الساخنة عبر المراحل المتعددة في العنفة الغازية بالطّريقة نفسها الّتي يتدفّق بها البخار عبر العنفة البخارية . وتوجِّه الريشات الثّابتة الغاز المتحرك إلى ريشات العضو الدوار وتغيّر سرعته. يتكون التوربين الغازي من الأجزاء الرئيسية التالية:

• ضاغط الهواء (The Air Compressor) يقوم بأخذ الهواء من الجو المحيط ويرفع ضغطه إلى عشرات الضغوط الجوية.

• غرفة الاحتراق (The Combustion Chamber) فيها يختلط الهواء المضغوط الآتي من ضاغطة الهواء مع الوقود ويحترقان معا بواسطة وسائل خاصة بالاشتعال, وتكون نواتج الاحتراق من غازات مختلفة وعلى درجات حرارة عالية وضغط مرتفع.

وتستفيد معظم أنظمة التوربين الغازي من الغازات الساخنة الخارجة من التوربين. ففي بعض الأنظمة تدور بعض هذه الغازات، وتذهب إلى جهاز يسمى المجدّد. وهناك تُستخدم هذه الغازات لتسخين الهواء المضغوط بعد خروجه من ضاغط الهواء. وقبل دخوله غرفة الاحتراق يقلل تسخين الهواء المضغوط بهذه الطّريقة من كمية الوقود المستخدم لعملية الاحتراق. وفي المحرّكات النّفاثة، يُستخدم معظم الغاز لإنتاج قوّة الدّفع.


تعمل التوربينات الغازية عند درجة حرارة أعلى من التوربينات البخارية. وتزيد فعاليّة التوربين كلما زادت درجة حرارة تشغيلها؛ فدرجة حرارة تشغيل معظم توربينات الغاز هي 875°م أو أكثر.

• التوربين (The Turbine) ويكون محوره أفقي مربوط من ناحية مع محور ضاغطة الهواء مباشرة ومن ناحية أخرى مع الحمل الميكانيكي المراد تدويره (كأن يكون مولد كهربائي مثلا) ومن خلال صندوق تروس (Gear Box) لخفض السرعة لأن سرعة دوران التوربين تكون عالية جدا.

تدخل الغازات الناتجة عن الاحتراق في التوربين فتصطدم بريشه الكثيرة العدد ثم إلى مدخنة..

وتستفيد معظم أنظمة التوربين الغازي من الغازات الساخنة الخارجة من التوربين. ففي بعض الأنظمة تدور بعض هذه الغازات، وتذهب إلى جهاز يسمى المجدّد. وهناك تُستخدم هذه الغازات لتسخين الهواء المضغوط بعد خروجه من ضاغط الهواء. وقبل دخوله غرفة الاحتراق يقلل تسخين الهواء المضغوط بهذه الطّريقة من كمية الوقود المستخدم لعملية الاحتراق. وفي المحرّكات النّفاثة، يُستخدم معظم الغاز لإنتاج قوّة الدّفع.

كيف يعمل نظام العنفة الـغـازية

من عيوب العنفة الغازية هو انخفاض كفاءته (Efficiency) حيث تتراوح بين 15 و 25% وتتأثر كثيرا بدرجة حرارة المحيط (درجة حرارة الجو), كما أن عمرها التشغيلي قصير نسبيا وتستهلك كمية أكبر من الوقود (بالمقارنة مع محطات البخارية).

تحتاج العنفات الغازية لتشغيلها بأمان وسلامة إلى بعض المعدات والآلات المساعدة (Auxiliaries) على النحو التالي: • مصافي الهواء قبل دخوله إلى ضاغطة الهواء. • مساعد التشغيل الأولي أي بادئ تشغيل( Starter), وهو إما محرك كهربائي أو محرك ديزل. • وسائل أو منظومة للإشعال. • منظومة تبريد. • منظومة سيطرة ومعدات قياس الحرارة والضغط في كل مرحلة من مراحل العمل.

بنية العنفة

تتكون العنفة من الأجزاء الآتية:

1ـ الجزء الدوار (القرص الدوار) وتثبَّت على محيطه الشفرات (الريش) العاملة، ويدعى صف ريشات متحركة.

2ـ الجزء الثابت (القرص الثابت) أو الغطاء وتثبَّت على محيطه الريشات (الشفرات) الثابتة ويدعى صف ريشات ثابتة.

3ـ المجرى (الفوهة) هو الفراغ بين صفين من الشفرة العاملة والثابتة، وتشكل الأجزاء الثلاثة ما يسمى المرحلة، فإذا كانت العنفة مكونة من صفوف عدة على التسلسل دُعيَت عنفة متعددة المراحل.

أنواع

1ـ عنفات مائية تحول الطاقة الكامنة للماء إلى طاقة ميكانيكية (عمل ميكانيكي).

2ـ عنفات حرارية تحول الطاقة الحرارية لجسم التشغيل (بخار، ماء، غاز) إلى طاقة كامنة ثم إلى طاقة ميكانيكية (عمل ميكانيكي). وتقسم حسب طبيعة جسم التشغيل إلى: عنفات بخارية وعنفات غازية.

يتحدد مبدأ عمل العنفة عامة بتحويل الطاقة الحرارية لجسم التشغيل الغازي إلى طاقة ميكانيكية (عمل ميكانيكي) مروراً بالطاقة الكامنة (طاقة حرارية، طاقة كامنة، طاقة ميكانيكية) أما إذا كان جسم التشغيل سائلاً؛ فإن الطاقة الكامنة تتحول عندها إلى طاقة ميكانيكية، كما في حالة العنفة المائية، وتتم عملية تحويل الطاقة في العنفة في مراحل عدة: (1) تحول بعض المكونات الطاقة الحرارية إلى طاقة كامنة (وتسمى عناصر التمدد) (2) تحوِّل الشفرات العاملة الطاقة الكامنة إلى طاقة (عمل) ميكانيكية. وتعرف المجالات التي يحصل فيها تمدد جسم التشغيل بالفوهات المتصلة تصميمياً مع الجزء الثابت للعنفة. وتشكل الشفرات المتحركة جزءاً من القرص الدَّوار الذي يقوم بحركة دورانية. (3) مرحلة العنفة، ويتحدد فيها مجال تمدد جسم التشغيل بين صفين من الشفرات العاملة والشفرات الثابتة (ما يعرف بالعنفة وحيدة المرحلة التي نادراً ما تُستخدم). وغالباً ما تُستخدم العنفات متعددة المراحل المتصلة على التسلسل لتحسين المردود للعنفات.

تبنى العنفات أساساً ليكون جريان جسم التشغيل محورياً؛ أي ليكون اتجاه الجريان عبر نظام الشفرات وفق محور العنفة ثم ينحرف على محيط الشفرات (محيطياً)، وفي هذه الحالة لا يحصل جريان باتجاه قطر الشفرة لأن المركبات القطرية لسرعات الجريان صغيرة ويمكن إهمالها.

- الفوهة (القرص الموجهة)، b- الريش العاملة (الدوارة)، c- جسم العنفة، d- الجزءالدوار، m- تدفق جريان جسم التشغيل عبر المرحلة، tk, tw ـ مجالا الريش الموجهة والريش الدوارة.

ومخطط المرحلة لعنفة محورية، وكيفية توضع الشفرات الموجهة a للجريان على محيط الصحن (الثابت) القائد كاملاً. يدعى المجال tk المحدد بين مقطعين متجاورين بقناة الفوهة حيث يمر الجريان عبرها، بينما يحدد المجال tw المسافة بين مقطعين متجاورين من الشفرات العاملة b الموضوعة على محيط الصحن الدوار كاملاً، (وعموماً tk لا تساوي tw).

يدخل جسم التشغيل ذو المؤشرات (البارامترات) الترموديناميكية العالية (ضغط ودرجة حرارة) بسرعة كبيرة إلى الفوهة في العنفة الحرارية فتنخفض مؤشراته (ضغط، درجة حرارة) نتيجة تمدده، مما يؤدي إلى تدوير الشفرات العاملة بسرعة محيطية مركباتها السرعة النسبية والسرعة المطلقة.

w ـ السرعة النسبية هي سرعة الغاز عند مخرج الفوهة وزاويتها β.

c ـ السرعة المطلقة هي سرعة الغاز عند مدخل الفوهة وزاويتها a.

u ـ السرعة المحيطية هي المجموع الشعاعي للسرعتين النسبية والمطلقة. يمكن تمثيل هذا المجموع بشكل مثلث أضلاعه تمثل أشعة السرعات الثلاث السابقة. ويبين الشكل (2) المقطع العرضي لمرحلة العنفة ومثلث السرعات، ولكل من شعاع السرعة النسبية والسرعة المطلقة ثلاث مركبات محيطية ومحورية وقطرية. يكون الجريان ثنائي البعد (جريان باتجاهي محور ومحيط العنفة فقط) عادة في معظم الآلات وقيمة مركبته القطرية مهملة.

تصنيف العنفات

تصنف العنفات وفقاً لما يأتي:

ـ حسب تمدد جسم التشغيل: تكون عنفة فعل أو عنفة رد فعل (ذات مراحل سرعة أو ذات مراحل ضغط أو مركبة سرعة وضغط).

ـ حسب عدد المراحل: وتكون إما وحيدة المرحلة أو متعددة المراحل.

ثمة نظامان أساسيان لعمل مرحلة العنفة:

1ـ نظام عنفة الفعل: يتم تحويل الطاقة الحرارية إلى طاقة حركية في الفوهات، وتساوي قيمة الضغط ما بعد الفوهة قيمته ما بعد القرص الدوار، وعندما يحصل تمدد البخار من دون ضياع حراري (تمدد مثالي) تكون السرعة عند مخرج الشفرات العاملة (السرعة النسبية) مساوية للسرعة عند الدخول إليها (w1= w2)، أما إذا حصل التمدد مع ضياعات بسبب الاحتكاك الناتج من اصطدام جزيئات جسم التشغيل بشفرات العنفة؛ فإن السرعتين لاتكونان متساويتين (w1 > w2). ويسمى بالمبدأ الفعال للعنفة عندما تكون قيمة w2 أصغر بكثير من w1، ومعامل السرعة للشفرات (ψ تراوح قيمتها بين 0.8 و0.9)، حيث w1 = ψ. w1.

وتكون قيمة العمل أعظمية (جول/كغ) حينما تصبح قيمة السرعة عند مخرج الفوهة (c2) أصغر ما يمكن، ويتحقق ذلك حينما تكون زاوية شعاع سرعة الخروج المطلقة a2=90، وزاوية شعاع سرعة الدخول المطلقة a1= 0 التي تكون عندها السرعة المطلقة عند الدخول مساوية ضعف السرعة المحيطية للريشة c1=2u. وتكون في هذه الحالة الطاقة الحركية للبخار قد استغلت كاملة.

تعطي عملياً aα1 قيمة تراوح بين 14 و20، وتعطي قيماً أقل عند وجود احتكاك، وهذا هو مبدأ عمل عنفة الفعل.

مقطع عرضي للمرحلة ومثلث السرعات.
مثلث السرعات في مرحلة الفعل.

أهم خصائص عمل عنفة الفعل هي

أ ـ يتم داخل الفوهات تحويل الطاقة الكامنة إلى طاقة ميكانيكية.

ب ـ السرعة المطلقة لدخول جسم التشغيل إلى الشفرات تطابق سرعة الخروج من الفوهة.

ج ـ لا يحدث تمدد لجسم التشغيل على الشفرات وتبقى سرعته النسبية ثابتة.

2ـ نظام عنفة رد الفعل: يتمدد جسم التشغيل في هذا النظام على مرحلتين، يبدأ التمدد في الفوهة ويتحول جزء من الطاقة الحرارية إلى طاقة حركية. ويستمر التمدد في أثناء عبوره القرص الدوار وتكون السرعة النسبية عند مخرج الفوهة في هذا النظام أكبر منها عند مدخل الفوهة التي قبلها. يتحقق ذلك بجعل قناة الشفرات العاملة متناقصة المقطع.

التحجول المثالي.

التمدد المثالي (دون ضياعات) لجسم التشغيل في مرحلة الفعل (a) ومرحلة رد الفعل (b).

أخذ التمدد الكلي لجسم التشغيل hs في عنفة رد الفعل ليكون مجموع تمدد المرحلتين (hw تمدد على الشفرات العاملة وhk تمدد في الفوهات)، في حين تمَّ التمدد الكلي لجسم التشغيل في عنفة الفعل في الفوهات وحسب (hs= hk).

استعمل كلا النظامين مع بداية تطور العنفات البخارية، ولكن عملياً لاتصنع عنفات ذات فعل أو رد فعل بشكل كامل وإنما يتحدد ذلك بقيمة درجة رد الفعل التي تساوي نسبة تمدد جسم التشغيل على الشفرات العاملة على تمدده الكلي p= hw/hs.

عنفة فعل.

وفي عنفة فعل متعددة مراحل السرعة، ويتم تحويل الطاقة الكامنة إلى طاقة ميكانيكية في الفوهات (عنفة دي ـ لاڤال De Laval).

عنفة رد فعل.

وفي عنفة رد فعل متعددة مراحل الضغط، يتم تحويل الطاقة الكامنة إلى طاقة ميكانيكية في الفوهات وعلى الشفرات الموجهة والعاملة أيضاً (عنفة بارسونز Parsons).

تمتاز عنفة رد الفعل بالخصائص الآتية:

1ـ يتم تحويل الطاقة الكامنة إلى ميكانيكية في الفوهات والشفرات العاملة.

2ـ ويكون فرق الضغط على طرفي القرص باتجاه محور العنفة.

3ـ السرعة المطلقة لجسم التشغيل عند الدخول للعنفة أكبر منها عند الخروج c1 > c2.

4ـ السرعة النسبية لجسم التشغيل عند الدخول للعنفة أصغر منها عند الخروج w2 > w1.

استخدامات العنفات

5 Kilowatt Vertical axis wind turbine by Green EcoSys & Electron Solar Energy

تُستخدم العنفات أساساً في محطات توليد الطاقة الكهربائية (بخارية، غازية، نووية، مائية) إذ تعد العنفة بنوعيها العنصر الأساسي في المحطة، وتعد العنفات البخارية الأكثر استخداماً في هذا المجال أو في محطات الأنظمة المركبة الخاصة بتوليد الطاقة الكهربائية والحرارية لأغراض التدفئة في آن معا، إضافة إلى استخدامها كآلة رئيسية أو مساعدة مع محرك احتراق داخلي (ديزل) لتشغيل البواخر. أما العنفات الغازية فتستخدم في مجال الطيران كمحركات نفاثة وللنقل إضافة لاستخدامها في محطات التوليد.

النحام المخطط المبسط لمحطة ذات عنفة بخارية K- مولد بخار (مرجل)، s- مكثف، p- مضخة مياه التغذية.

و مصدر الطاقة في هذه المحطات إما الفيول أو الغاز أو الوقود الصلب أو الوقود النووي. يذهب البخار المتولد في المرجل ذي المؤشرات الترموديناميكية (البارامترات) العالية (ضغط ،درجة حرارة) إلى العنفة البخارية حيث يتمدد وتتحول الطاقة الحرارية إلى ميكانيكية تدير العنفة التي تدير المنوبة، ثم يدخل البخار بعد خروجه من العنفة إلى المكثف ليتكاثف ويعود إلى المرجل (دورة مغلقة) عبر مجموعة مسخنات (مبادلات حرارية استرجاعية) تقوم بتسخين الماء قبل دخوله المرجل بوساطة مضخة التغذية.

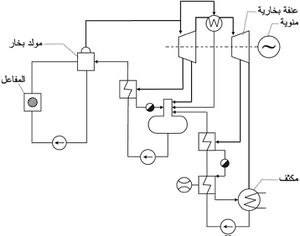
المخطط الحراري لمحطة نووية وعنفة غازية.

ومصدر الطاقة في هذه المحطات من المفاعل النووي، وفي هذه المحطات دورة مغلقة للماء الذي يمر عبر المفاعل ليكتسب كمية الحرارة اللازمة لتبخر الماء في المولد، والدورة الثانية مغلقة أيضاً لبخار الماء الذي نحصل عليه من المولد، ويذهب إلى العنفة ويغلق دورته كما في الشكل 8

المخطط الحراري لمحطة ذات عنفة غازية.

ومصدر الطاقة هو احتراق مزيج الهواء المضغوط والوقود. تمر نواتج الاحتراق ذات المؤشرات (البارامترات) الترموديناميكية العالية عبر العنفة الغازية فتتمدد وتتحول الطاقة الحرارية إلى ميكانيكية، ثم تطرد الغازات إلى الوسط المحيط أو يستفاد منها في تسخين الهواء.

Shrouded tidal turbines

Asymmetric airfoil

انظر أيضاً

الهوامش والمصادر

قائمة المراجع
  • Layton, Edwin T. "From Rule of Thumb to Scientific Engineering: James B. Francis and the Invention of the Francis Turbine," NLA Monograph Series. Stony Brook, NY: Research Foundation of the State University of New York, 1992.

وصلات خارجية