ڤلاديمير زڤوريكن
ڤلاديمير كوزميخ زڤوريكن Vladimir Kozmich Zworykin | |
---|---|
![]() ڤلاديمير زڤوريكن، 1929، ممسكاً باختراعه الكينسكوپ | |
وُلِدَ | |
توفي | يوليو 29, 1982 | (aged 92)
الجنسية | أمريكي |
التعليم | معهد سانت پطرسبورگ الحكومي للتكنولوجيا |
الزوج | Katherine Polevitzky (m. 1951) 2nd wife |
السيرة الهندسية | |
المشاريع | تلفزيون، الميكروسكوپ الإلكتروني |
تصميم مميز | أيكونوسكوپ، المضاعف الضوئي Photomultiplier |
ڤلاديمير كوزميخ زڤوريكن (بالروسية: Владимир Козьмич Зворыкин) إنگليزية: Vladimir Kozmich Zworykin (عاش 30 يوليو 1889 - 29 يوليو 1982) مخترع روسي أمريكي، مهندس ورائد في تقنية التلڤزيون.
فيزيائي امريكي عمل على تطوير العين الكهربائية (أيكونوسكوپ) المستعملة في التلفزيون والكينسكوب وأنبوبة شعاع الكاثود المستخدمة في جهاز استقبال التلفزيون.
عالم فيزيائي أمريكي من أصل روسي، كان مهندساً للإلكترونيات ويرجع إليه الفضل في الكثير من نواحي التقدم في علوم الإلكترونيات، بما في ذلك الراديو والتلفاز والمجهر الإلكتروني.
سافر إلى الولايات المتحدة عام 1919م، وبعد تعلمه التحدث بالإنجليزية، اتجه للعمل عام 1920م في قسم أنابيب المذياع بمؤسسة وستنگهاوس إلكتريك في پتسبرگ، پنسلڤانيا، حيث نال درجة الدكتوراه عام 1926.
وفي مؤسسة وستنجهاوس، تولى زڤوركين الإشراف على مجموعة من المهندسين الشبان ليعاونوه في تطوير آلة التصوير التِّلفازية وصمام التصوير. أما أكثر أعماله أهمية هناك فهي تطـوير آلة التصوير التلفازية المخزنة (الإيكونوسكوب) وهي صمام كاميرا إلكتروني يحول الصور البصرية إلى إشارات إلكترونية يمكن بثُّها كإشارة متلفزة بعد أن تتحول إلى موجات راديوية.

وكان زووريكين أيضًا مسؤولاً مسؤولية تامة عن تطوير المجهر الإلكتروني. وفي عام 1929م أصبح زوريكين مديراً لأبحاث الإلكترونيات في شركة الراديو الأمريكية ويُطلق عليها الآن شركة آر. سي. أيه ( R.C.A). وتمت ترقيته نائباً لرئيس الشركة في عام 1947.
ولد زڤوركين في مدينة موروم بروسيا، وتخرَّج في معهد پتروگراد للتقنية. وفي عام 1912، حصل على درجة علمية في الهندسة الكهربائية، ثم سافر إلى باريس حيث عمل أبحاثاً على الأشعة السينية مع العالم الفيزيائي پول لانجڤان في كلية فرنسا وذلك قبيل عودته إلى روسيا عام 1914.
مأثورة
"أنا أبغض ما فعله في ابني...أنا لن أدع أطفالي يشاهدونه."
- ڤلاديمير زڤوريكن معلقاً على تعلق أطفاله بالتلفزيون.
"المفتاح. مفتاح إغلاق هذا الجهاز اللعين."
- ڤلاديمير زڤوريكن عن الجزء المفضل لديه في التلفزيون.
انظر أيضاً
الهامش
- ^ Method of and Apparatus for Producing Images of Objects, United States Patent Office, Patent No. 2,021,907, 1935.
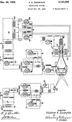
- ^ أ ب Zworykin, V. K., Television System, United States Patent Office, Patent No. 2,141,059, 1938-12-20, retrieved 2009-06-03.
المصادر
- Albert Abramson: "The History of Television 1880 to 1941", Jefferson: McFarland, 1987
- Albert Abramson: "Die Geschichte des Fernsehens 1880 bis 1941", München, Fink Verlag, 2003
- Albert Abramson: "Zworykin, Pioneer of Television", University of Illinois Press, Champaign, 1995
- Fritz Schröter: "Handbuch der Bildtelegraphie und des Fernsehens", Berlin: Julius Springer, 1932
- Fritz Schröter: "Fernsehen. Die neueste Entwicklung insbesondere der deutschen Fernsehtechnik", Berlin: Julius Springer, 1937
- Walter Bruch: "Kleine geschichte des deutschen Fernsehens", Berlin: Hande & Spender, 1967
قراءات اضافية
- Abramson, Vladimir Zworykin: Pioneer of Television
- A 1975 interview with Vladimir Zworykin
- Zworykin's biography at the IEEE History Center
- Compilation of biographies of Vladimir Zworykin- including photographs and bibliography, compiled by Prof. Eugenii Katz of The Hebrew University.
- Recipients of the IEEE Vladimir K. Zworykin Award
جـوائـز | ||
---|---|---|
سبقه فردريك ترمان |
IRE Medal of Honor 1951 |
تبعه والتر رانسم گيل بيكر |
- Pages using infobox engineer with unknown parameters
- Articles containing إنگليزية-language text
- Pages using Lang-xx templates
- مواليد 1889
- وفيات 1982
- مواطنون مجنسون في الولايات المتحدة
- أشخاص من پتسبرگ
- خريجو جامعة پتسبرگ
- مخترعون روس
- أمريكان روس
- رواد التلفزيون
- مسيحيون ارثوذكس روس
- National Medal of Science recipients
- IEEE Medal of Honor recipients
- National Inventors Hall of Fame
- مهاجرون من الإمبراطورية الروسية إلى الولايات المتحدة