مبرهنة نورتون
(تم التحويل من Norton's theorem)
| تحليل خطي للشبكات | |
|---|---|
| العناصر | |
| المكونات | |
| دوائر التوالي والتوازي | |
| تحويلات المعاوقة | |
| مبرهنات المولد | مبرهنات الشبكة |
| أساليب تحليل الشبكات | |
| Two-port parameters | |
مبرهنة نورتون Norton's theorem، للشبكات الإلكترونية الخطية، ويعرف في اوروبا باسم مبرهنة ماير-نورتون، تنص على أن أي مجموعة مصادر جهد، مصادر تيار، و مقاومات لها محطتين طرفيتن تعادل مصدر التيار القياسي، I، بالتوازي مع مقاوم واحد، R. لأنظمة التيار المتردد أحادي التردد يمكن أيضا تطبيق النظرية على المعاوقات، وليس فقط على المقاومات. ويستخدم معادل نورتون ليمثل أي شبكة لمصادر خطية ومعاوقات، عند تردد معين. وتتكون الدائرة من مصدر تيار قياسي بالتوازي مع معاوق قياسي (أو مقاوم لدوائر غير تفاعلية).
حساب دائرة معادل نورتون
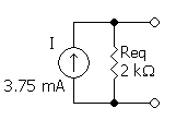
مثال على دائرة معادل نورتون
In the example, the total current Itotal is given by:
The current through the load is then, using the current divider rule:
So the equivalent circuit is a 3.75 mA current source in parallel with a 2 kΩ resistor.
التحويل إلى معادل ثيڤنين
انظر أيضا
المصادر
وصلات خارجية
This article contains content from Wikimedia licensed under CC BY-SA 4.0. Please comply with the license terms.



