درس:الاستطاعة

نعلم أن الاستطاعة الآنية لعنصر تعطى بالعلاقة: ، وفي حال عنصر يخضع لتيار متناوب، تأخذ علاقة كل من الفلطية والتيار الشكلين التاليين:

وبالتالي يمكننا أن نحسب الاستطاعة الآنية لهذا العنصر، فتكون (وباستخدام بعض التحويلات المثلثية!):

أي

الآن يمكننا حساب الاستطاعة الوسطية المستهلكة خلال دور واحد من خلال العلاقة التالية:

وبالتالي:خطأ رياضيات (خطأ في الصيغة): {\displaystyle P=\frac{1}{T}V_{m}I_{m}[\int _{0}^{T}\cos (\theta _{1}-\theta_{2})\{dt}-\int _{0}^{T}{\cos (2\omega t+\theta _{1}+\theta_{2})\{dt}}] \,} التكامل الأول هو تكامل لمقدار ثابت لا يتعلق بالزمن. أما الثاني فهو تكامل لتابع جيبي نبضه فهو معدوم، ومنه:

ومنه:

يسمى المقدار بعامل استطاعة الدارة. ويسمى المقدار بالاستطاعة الظاهرية وتقاس بواحدة الفولط آمبير VA.

تصير

أما المقدار فهو الاستطاعة التفاعلية، وتقاس بواحدة الفولط آمبير التفاعلية VAR (اختصارا لـ Volt-Ampère-Reactive). ويمكن تمثيل المقادير الثلاث السابقة في مثلث الاستطاعة القائم.

ونلاحظ أن

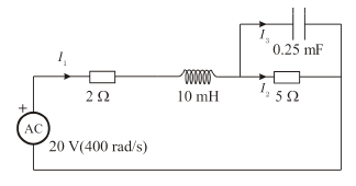
مثال محلول

Complexcircuitproblem.png

لتكن لدينا الدارة المبينة بالشكل، وبفرض أن النبض والقيمة المنتجة للمنبع هي 20V:

  1. احسب التيار العقدي ثم التيارين العقديين و.
  2. احسب الاستطاعة المستهلكة في المقاومة ، وفي المقاومة .
  3. احسب الاستطاعة التفاعلية الكلية في الدارة .
  4. احسب عامل الاستطاعة لهذه الدارة، ثم الاستطاعة الكلية المستهلكة فيها.

الحل:

الطلب الأول:. نعلم أن التيار العقدي يعطى بالعلاقة: لذلك فإننا سنقوم بحساب الممانعة الكلية للدارة.

لنقم أولا بحساب الممانعة المكافئة لكل من المكثفة والمقاومة .

و

فالممانعة المكافئة هي:

عندما نضطر إلى تقسيم (أو ضرب) عددين عقديين فإننا غالبا لا نلجأ إلى ضرب البسط والمقام بمرافق المقام، بل نقوم بتحويل العددين إلى الشكل المطاور الأسهل نسبيا حيث سنقوم بتقسيم الطويلتين، وطرح الزاويتين فقط.

Phasortriangle.png

من أجل تحويل عدد عقدي إلى الشكل المطاور نستخدم العلاقات التالية:

للتحويل إلى شكل المطاور: و

للعودة إلى الشكل العقدي التقليدي: و

إذاً يمكننا الآن أن نقوم بإعادة كتابة بالشكل:

الآن نحسب ممانعة الوشيعة فنجدها:

وبالتالي يمكننا الآن حساب الممانعة الكلية:

فيكون التيار العقدي


من أجل حساب التيارين و نستخدم قانون مقسم التيار، فنجد:

ومن أجل الحصول على التيار نطبق قانون كرشوف للتيارات فنجد:

الطلب الثاني: بما أن التيار والفلطية متوافقان في مقاومة، ففرق الصفحة بينهما معدوم (راجع علاقة الاستطاعة التي مرت معنا)، فالاستطاعة المستهلكة هي جداء المقاومة في مربع طويلة التيار المنتج:

في المقاومة :

في المقاومة :

الطلب الثالث:

الاستطاعة التفاعلية للمكثفة:

الاستطاعة التفاعلية للوشيعة:

وبالتالي الاستطاعة التفاعلية للدارة:

الطلب الرابع: عامل استطاعة الدارة هو ، أي هو جيب التمام لفرق الطور بين التيار والفلطية الكليين، وبما أن

فيكون عامل استطاعة الدارة:

الاستطاعة الكلية المستهلكة في الدارة:

وهي تماما مجموع الاستطاعتين المستهلكتين في المقاومتين فقط. فالمكثفة والوشيعة المثاليتان عنصران لا يستهلكان الطاقة.

انتهت المسألة!

الاستطاعة العقدية

ليكن لدينا عنصر فيه تيار متناوب ، والفلطية المطبقة هي ، فتكون الاستطاعة المستهلكة:

وحسب علاقة أويلر :، فإن الاستطاعة هي القسم الحقيقي للعدد العقدي: أي

ولكن ما هو إلا المرافق العقدي للتيار I أي: ، لأن مرافق أي عدد عقدي كما نعلم يعطى بالعلاقة: . وبالتالي فالاستطاعة المستهلكة هي القسم الحقيقي لجداء الفلطية بالمرافق العقدي للتيار: