عاكس كهربائي
جزء من سلسلة عن |
هندسة القدرة |
---|
تحويل القدرة الكهربائية |
البنية التحتية للطاقة الكهربائية |
مكونات أنظمة القدرة الكهربائية |
إن عاكس الطاقة أو العاكس أو الإنڤرتر إنگليزية: power inverter هو أداة أو جهاز من إلكترونيات الطاقة أو دارة تقوم بتغيير التيار المستمر (DC) إلى تيار متناوب (AC).[1] يعتمد تردد التيار المتناوب الناتج على الجهاز المعين المستخدم. تعمل العواكس على عكس "المبدلات" التي كانت في الأصل أجهزة كهروميكانيكية كبيرة تحول التيار المتناوب إلى التيار المستمر.[2]
يعتمد جهد الدخل وجهد الخرج والتردد ومعالجة الطاقة الإجمالية على تصميم الجهاز أو الدائرة المحددة. العاكس لا ينتج أي طاقة؛ ولكن يتم توفير الطاقة بواسطة مصدر التيار المستمر.
يمكن أن يكون عاكس الطاقة إلكترونياً بالكامل أو قد يكون مزيجاً من التأثيرات الميكانيكية (مثل الجهاز الدوار) والدوائر الإلكترونية. لا تستخدم العواكس الساكنة الأجزاء المتحركة في عملية التحويل.
تُستخدم عاكسات الطاقة بشكل أساسي في تطبيقات الطاقة الكهربائية حيث توجد التيارات والجهد العالي؛ الدوائر التي تؤدي نفس الوظيفة للإشارات الإلكترونية، والتي عادة ما يكون لها تيارات وجهود منخفضة للغاية، تسمى المذبذبات. تسمى الدوائر التي تؤدي الوظيفة المعاكسة، أي تحويل التيار المتناوب إلى تيار مستمر، بالمقومات.
وقد يطلق عليه اسم معرج inverter في بعض الأحيان. يرتبط اسم المبدل أو المعرج بخواص المنبع والحمل ومواصفاتهما، ويمكن من هذه الخواص استنتاج طبيعة التبديل الواجب تحقيقه من خلال عناصر أنصاف النواقل المستخدمة.
الدخل والخرج
جهد الدخل
يتطلب جهاز أو دائرة عاكس طاقة نموذجية مصدر طاقة تيار مستمر مستقر قادر على توفير تيار كافٍ لمتطلبات الطاقة المقصودة للنظام. يعتمد جهد الدخل على تصميم العاكس والغرض منه. الأمثلة تشمل:
- 12 ڤولط تيار مستمر، للمحولات الصغيرة الاستهلاكية والتجارية التي تعمل عادةً من بطارية حمض الرصاص 12 ڤولط قابلة لإعادة الشحن أو مأخذ كهربائي للسيارات.[3]
- 24، 36 و48 ڤولط تيار مستمر، وهي معايير شائعة لأنظمة الطاقة المنزلية.
- من 200 إلى 400 ڤولط تيار مستمر، عندما تكون الطاقة من الألواح الشمسية الكهروضوئية.
- من 300 إلى 450 ڤولط تيار مستمر، عندما تكون الطاقة من بطاريات السيارات الكهربائية في نظم المركبة إلى الشبكة.
- مئات الآلاف من الڤولطات، حيث يكون العاكس جزءاً من نظام نقل الطاقة تيار الجهد العالي المستمر.
شكل موجة الخرج
قد ينتج العاكس موجة مربعة، أو موجة جيبية معدلة، أو موجة جيبية نبضية، أو موجة مشكلة بعرض النبضة (PWM) أو موجة جيبية اعتماداً على تصميم الدائرة. تنتج الأنواع الشائعة من المحولات موجات مربعة أو موجات شبه مربعة. أحد مقاييس نقاء الموجة الجيبية هو التشويه التوافقي الكلي (THD). تعادل الموجة المربعة النبضية بنسبة 50٪ موجة جيبية بنسبة 48٪ من THD.[4] تتطلب المعايير الفنية لشبكات توزيع الطاقة التجارية أقل من 3٪ THD في شكل الموجة عند نقطة اتصال العميل. يوصي معيار IEEE 519 بأقل من 5٪ THD للأنظمة المتصلة بشبكة الطاقة.
يوجد تصميمان أساسيان لإنتاج جهد توصيل منزلي من مصدر تيار مستمر منخفض الجهد، يستخدم الأول منهما مفتاح تحويل مبدل رافع للجهد لإنتاج تيار مستمر عالي الجهد ثم يتحول إلى تيار متردد. الطريقة الثانية تحول التيار المستمر إلى التيار المتردد عند مستوى البطارية وتستخدم محول تردد الخط لإنشاء جهد الخرج.[5]
الموجة المربعة
هذا هو أحد أبسط أشكال الموجات التي يمكن أن ينتجها تصميم العاكس وهو الأنسب للتطبيقات منخفضة الحساسية مثل الإضاءة والتدفئة. يمكن أن ينتج عن إخراج الموجة المربعة "طنين" عند توصيله بجهاز صوت وهو غير مناسب بشكل عام للإلكترونيات الحساسة.
الموجة الجيبية
يشار إلى جهاز عاكس الطاقة الذي ينتج شكل موجة جيبية متناوبة متعددة الخطوات باسم عاكس الموجة الجيبية. للتمييز بشكل أوضح بين العاكسات ذات النواتج ذات التشوه الأقل بكثير من تصميمات العاكس "موجة جيبية معدلة" (ثلاث خطوات)، غالباً ما يستخدم المصنعون عبارة عاكس موجة جيبية نقية. لا تنتج جميع محولات درجة المستهلك تقريباً التي تُباع على أنها عاكس موجة جيبية نقية ناتج موجة جيبية ناعم على الإطلاق، [بحاجة لمصدر] فقط ناتج أقل تقطعاً من الموجة المربعة (خطوتان) ومحولات موجة جيبية معدلة (ثلاث خطوات). ومع ذلك، هذا ليس بالغ الأهمية بالنسبة لمعظم الإلكترونيات لأنها تتعامل مع الخرج بشكل جيد.
عندما تحل أجهزة عاكس الطاقة محل طاقة الخط القياسي، يكون خرج الموجة الجيبية مرغوباً لأن العديد من المنتجات الكهربائية مصممة للعمل بشكل أفضل مع مصدر طاقة التيار المتناوب ذو الموجة الجيبية. توفر الأداة الكهربائية القياسية موجة جيبية، عادةً مع عيوب بسيطة ولكن في بعض الأحيان مع تشويه كبير.
تعد عاكسات الموجة الجيبية التي تحتوي على أكثر من ثلاث خطوات في خرج الموجة أكثر تعقيداً ولها تكلفة أعلى بكثير من الموجة الجيبية المعدلة، مع ثلاث خطوات فقط، أو أنواع الموجة المربعة (خطوة واحدة) لنفس معالجة الطاقة. يعمل تبديل وضع مصدر الطاقة (SMPS)، مثل أجهزة الحاسب الشخصية أو مشغلات DVD، على طاقة موجة جيبية معدلة. قد تنتج محركات التيار المتناوب التي تعمل مباشرة على طاقة غير جيبية حرارة إضافية، وقد يكون لها خصائص عزم دوران مختلفة، أو قد تنتج ضوضاء مسموعة أكثر من تلك التي تعمل على طاقة جيبية.
الموجة الجيبية المعدلة
ناتج خرج الموجة الجيبية المعدلة لمثل هذا العاكس هو مجموع موجتين مربعتين واحدة منها مزاحة بمقدار 90 درجة بالنسبة للأخرى. والنتيجة هي شكل موجة بثلاثة مستويات بفواصل متساوية صفر ڤولط؛ ذروة ڤولط موجب، صفر ڤولط، ذروة ڤولط سالب ثم صفر ڤولط. يتكرر هذا التسلسل. تشبه الموجة الناتجة تقريباً شكل موجة جيبية. تنتج معظم محولات الطاقة الاستهلاكية الرخيصة موجة جيبية معدلة بدلاً من موجة جيبية نقية.
يشبه شكل الموجة في محولات الموجة الجيبية المعدلة المتوفرة تجارياً موجة مربعة ولكن مع توقف مؤقت أثناء انعكاس القطبية.[5] تم تطوير حالات التبديل للجهد الموجب والسالب والصفر. إذا تم اختيار شكل الموجة ليكون لها قيم ذروة لنصف زمن الدورة، فإن ذروة الجهد إلى نسبة الجهد RMS هي نفسها بالنسبة لموجة جيبية. قد يتم تنظيم جهد ناقل التيار المستمر بشكل فعال، أو يمكن تعديل أزمنة "التشغيل" و"الإيقاف" للحفاظ على نفس خرج قيمة RMS حتى جهد ناقل التيار المستمر للتعويض عن تغيرات جهد ناقل التيار المستمر. عن طريق تغيير عرض النبضة، يمكن تغيير الطيف التوافقي. أدنى THD لموجة جيبية معدلة من ثلاث خطوات هي 30٪ عندما تكون النبضات عند 130 درجة لكل دورة كهربائية. وهذا أقل قليلاً من الموجة المربعة.[6]
يمكن ضبط نسبة وقت التشغيل إلى وقت الإيقاف لتغيير جهد RMS مع الحفاظ على تردد ثابت بتقنية تسمى تعديل عرض النبضة (PWM). يتم إعطاء نبضات البوابة المتولدة لكل مفتاح وفقاً للنمط المطور للحصول على المخرجات المرغوبة. يعتمد الطيف التوافقي في الخرج على عرض النبضات وتردد التشكيل. يمكن إثبات أنه يتم الوصول إلى الحد الأدنى من التشوه لشكل موجة من ثلاثة مستويات عندما تمتد النبضات أكثر من 130 درجة من شكل الموجة، لكن الجهد الناتج سيظل يحتوي على حوالي 30٪ THD، أعلى من المعايير التجارية لمصادر الطاقة المتصلة بالشبكة.[7] عند تشغيل المحركات الحثية، فإن توافقيات الجهد لا تهم عادة؛ ومع ذلك، فإن التشويه التوافقي في الشكل الموجي الحالي يقدم تسخيناً إضافياً ويمكن أن ينتج عزم دوران نابض.[8]
ستعمل عناصر عديدة من المعدات الكهربائية جيداً على أجهزة عاكس الطاقة ذات الموجة الجيبية المعدلة، خاصة الأحمال المقاومة في الطبيعة مثل المصابيح التقليدية المتوهجة. تعمل العناصر التي تحتوي على مصدر طاقة في وضع التبديل بالكامل تقريباً دون مشاكل، ولكن إذا كان العنصر يحتوي على محول رئيسي، فقد يؤدي ذلك إلى ارتفاع درجة الحرارة اعتماداً على مدى هامشية تصنيفها.
ومع ذلك، قد يعمل الحمل بكفاءة أقل بسبب التوافقيات المرتبطة بموجة جيبية معدلة وينتج ضوضاء طنين أثناء التشغيل. يؤثر هذا أيضاً على كفاءة النظام ككل، نظراً لأن كفاءة التحويل الاسمية للشركة المصنعة لا تأخذ في الحسبان التوافقيات. لذلك، قد توفر محولات الموجة الجيبية النقية كفاءة أعلى بكثير من محولات الموجة الجيبية المعدلة.
ستعمل معظم محركات التيار المتناوب على محولات MSW مع تقليل الكفاءة بنسبة 20 ٪ تقريباً بسبب المحتوى التوافقي. ومع ذلك، قد تكون صاخبة جداً. قد يساعد مرشح LC المتسلسل المضبوط على التردد الأساسي.[9]
طوبولوجيا عاكس الموجة الجيبية المعدلة الشائعة الموجودة في محولات الطاقة الاستهلاكية هي كما يلي: يقوم المتحكم الدقيق بتشغيل وإيقاف طاقة الموسفت بسرعة عالية في الترددات العالية مثل ~50 kHz. تسحب دوائر الموسفت مباشرة من مصدر تيار مستمر منخفض الجهد (مثل البطارية). تمر هذه الإشارة بعد ذلك عبر محولات الرفع (يتم وضع العديد من المحولات الأصغر بشكل متوازٍ لتقليل الحجم الكلي للعاكس) لإنتاج إشارة جهد أعلى. يتم بعد ذلك ترشيح ناتج محولات الرفع بواسطة المكثفات لإنتاج مصدر تيار مستمر عالي الجهد. أخيراً، يتم تزويد مصدر التيار المستمر هذا باستخدام الموسفتات نبضات طاقة إضافية بواسطة متحكم دقيق لإنتاج إشارة الموجة الجيبية المعدلة النهائية.
تستخدم العواكس الأكثر تعقيداً أكثر من جهدين لتشكيل تقريب متعدد الخطوات لموجة جيبية. هذه يمكن أن تقلل بشكل أكبر من التوافقيات الحالية والجهد وTHD مقارنة بالعاكس الذي يستخدم فقط النبضات الإيجابية والسلبية المتناوبة؛ لكن هذه المحولات تتطلب مكونات تحويل إضافية، مما يزيد من التكلفة.
تعديل عرض نبضة للموجة الجيبية التقريبي
تستخدم بعض المحولات PWM لإنشاء شكل موجة يمكن ترشيح تمريره منخفضاً لإعادة إنشاء الموجة الجيبية. لا تتطلب هذه سوى مصدر واحد للتيار المستمر، على غرار تصميمات MSN، ولكن التبديل يحدث بمعدل أسرع بكثير، عادةً عدد KHz، بحيث يمكن تنعيم العرض المتغير للنبضات لإنشاء موجة جيبية. إذا تم استخدام معالج دقيق لتوليد توقيت التبديل، فيمكن التحكم عن كثب في المحتوى التوافقي والكفاءة.
تردد الخرج
عادةً ما يكون تردد خرج التيار المتناوب لجهاز عاكس الطاقة هو نفسه تردد خط الطاقة القياسي، 50 أو 60 هرتز. الاستثناء هو في تصميمات القيادة الآلية، حيث ينتج عن التردد المتغير تحكم متغير في السرعة.
أيضاً، إذا كان خرج الجهاز أو الدائرة سيتم تكييفه بشكل إضافي (على سبيل المثال الرفع)، فقد يكون التردد أعلى بكثير من أجل كفاءة المحولات الجيدة.
خرج التيار الكهربائي
غالباً ما يتم تنظيم جهد خرج التيار المتناوب لعاكس الطاقة ليكون هو نفسه جهد خط الشبكة، عادةً 120 أو 240 ڤولط تيار متناوب عند مستوى التوزيع، حتى عندما تكون هناك تغييرات في الحمل الذي يقوده العاكس. هذا يسمح للعاكس بتشغيل العديد من الأجهزة المصممة لخط طاقة قياسي.
تسمح بعض المحولات أيضاً بجهد خرج متغير أو قابل للتحديد.
استطاعة الخرج
غالباً ما يكون لمحول الطاقة تصنيف طاقة إجمالي معبر عنه بواط أو كيلوواط. يصف هذا الطاقة التي ستكون متاحة للجهاز الذي يقودها العاكس، وبشكل غير مباشر، الطاقة التي ستكون مطلوبة من مصدر التيار المستمر. عادةً ما تتراوح الأجهزة الاستهلاكية والتجارية الشائعة الأصغر حجماً المصممة لتقليد طاقة الخط من 150 إلى 3000 واط.
لا تهتم جميع تطبيقات العاكس فقط أو بشكل أساسي بتوصيل الطاقة؛ في بعض الحالات، يتم استخدام خصائص التردد و/أو الشكل الموجي بواسطة دائرة أو جهاز المتابعة.
البطاريات
يعتمد "وقت تشغيل" العاكس الذي يعمل بالبطاريات على طاقة البطارية ومقدار الطاقة المستمدة من العاكس في وقت معين. مع زيادة كمية المعدات التي تستخدم العاكس، سينخفض وقت التشغيل. من أجل إطالة وقت تشغيل العاكس، يمكن إضافة بطاريات إضافية إلى العاكس.[10]
صيغة لحساب سعة بطارية العاكس:[11]
Battery Capacity (Ah) = Total Load (In Watts) X Usage Time (in hours) / Input Voltage (V)
سعة البطارية (أمبير ساعي) = الحمل الإجمالي (بالواط) X زمن الاستخدام (بالساعات)/جهد الدخل (V)
عند محاولة إضافة المزيد من البطاريات إلى العاكس، هناك خياران أساسيان للتثبيت:
- تكوين السلسلة
- إذا كان الهدف هو زيادة جهد الدخل الإجمالي للعاكس، فيمكن للمرء وصل بطاريات بسلسلة الأقحوان في تكوين متسلسل. في هذا التكوين، إذا ماتت بطارية واحدة، فلن تتمكن البطاريات الأخرى من تشغيل الحمل.
- التكوين الموازي
- إذا كان الهدف هو زيادة السعة وإطالة وقت تشغيل العاكس، فيمكن توصيل البطاريات بالتوازي. يؤدي هذا إلى زيادة التصنيف الإجمالي أمپير ساعي (Ah) لمجموعة البطارية.
إذا تم تفريغ شحن بطارية واحدة على الرغم من ذلك، فإن البطاريات الأخرى سيتم تفريغها من خلالها. يمكن أن يؤدي هذا إلى تفريغ سريع للعلبة بأكملها، أو حتى زيادة التيار وحريق محتمل. لتجنب ذلك، يمكن توصيل البطاريات الكبيرة المتوازية عبر الثنائيات أو المراقبة الذكية مع التبديل التلقائي لعزل بطارية منخفضة الجهد عن البطاريات الأخرى.
التطبيقات
استخدام مصدر طاقة التيار المستمر
يقوم العاكس بتحويل الكهرباء التي تعمل بالتيار المستمر من مصادر مثل البطاريات أو خلايا الوقود إلى كهرباء التيار المتناوب. يمكن أن تكون الكهرباء عند أي جهد مطلوب؛ على وجه الخصوص، يمكنها تشغيل معدات التيار المتناوب المصممة لتشغيل التيار الكهربائي، أو تصحيحها لإنتاج التيار المستمر عند أي جهد مطلوب.
مزود الطاقة اللامنقطعة
تستخدم مزودات الطاقة اللامنقطعة (UPS) بطاريات وعاكس لتزويد طاقة التيار المتناوب عندما لا تتوفر طاقة التيار الكهربائي. عند استعادة التيار الكهربائي، يقوم المقوم بتزويد طاقة التيار المستمر لإعادة شحن البطاريات.
التحكم في سرعة المحرك الكهربائي
غالباً ما تستخدم دوائر العاكس المصممة لإنتاج نطاق جهد خرج متغير داخل أجهزة التحكم في سرعة المحرك. يمكن اشتقاق طاقة التيار المستمر لقسم العاكس من مقبس حائط تيار متناوب عادي أو مصدر آخر. يتم استخدام دائرة التحكم وردود الفعل لضبط الإخراج النهائي لقسم العاكس والذي سيحدد في النهاية سرعة المحرك الذي يعمل تحت حمله الميكانيكي. تتعدد احتياجات التحكم في سرعة المحرك وتشمل أشياء مثل: المعدات الصناعية التي تعمل بمحركات، والمركبات الكهربائية، وأنظمة النقل بالسكك الحديدية، والأدوات الكهربائية. (انظر لمقالات ذات الصلة: محول تردد) يتم تطوير حالات التبديل للجهد الموجب والسالب والصفر وفقاً للأنماط الواردة في جدول التبديل 1. يتم إعطاء نبضات البوابة المتولدة لكل مفتاح وفقاً للنمط المطور وبالتالي يتم الحصول على الخرج.
في ضواغط التبريد
يمكن استخدام العاكس للتحكم في سرعة محرك ضاغط الغاز للقيادة تدفق المبرد المتغير في نظام التبريد أو تكييف الهواء لتنظيم أداء النظام. تُعرف هذه التركيبات باسم ضاغط عاكس. تستخدم الطرق التقليدية لتنظيم التبريد ضواغط أحادية السرعة يتم تشغيلها وإيقافها بشكل دوري؛ تحتوي الأنظمة المجهزة بالعاكس على محول تردد يتحكم في سرعة المحرك وبالتالي الضاغط ومخرج التبريد. يقود التيار المتناوب المتغير التردد من العاكس بدون فرش أو محرك تحريضي، تتناسب سرعته مع تردد التيار المتردد الذي يتم تغذيته، لذلك يمكن تشغيل الضاغط على متغير السرعات - يؤدي التخلص من دورات إيقاف تشغيل الضاغط إلى زيادة الكفاءة. عادةً ما يراقب متحكم دقيق درجة الحرارة في المكان المراد تبريده، ويضبط سرعة الضاغط للحفاظ على درجة الحرارة المطلوبة. تضيف الأجهزة الإلكترونية والأنظمة الإضافية تكلفة إلى المعدات، ولكن يمكن أن تؤدي إلى تحقيق وفورات كبيرة في تكاليف التشغيل.[12]كما أصدرت توشيبا أول عاكسات مكيفات هواء في عام 1981 في اليابان.[13]
شبكة الطاقة
صُممت العاكسات المرتبطة بالشبكة لتغذية نظام توزيع الطاقة الكهربائية.[14]تقوم بالتحويل بشكل متزامن مع الخط ولديها أقل قدر ممكن من المحتوى التوافقي. كما تحتاج أيضاً إلى وسيلة للكشف عن وجود طاقة المرافق لأسباب تتعلق بالسلامة، حتى لا تستمر في تغذية الطاقة بشكل خطير إلى الشبكة أثناء انقطاع التيار الكهربائي.
العاكسات المتزامنة هي عاكسات مصممة لمحاكاة المولد الدوار، ويمكن استخدامها للمساعدة في استقرار الشبكات. يمكن تصميمها لتتفاعل بشكل أسرع من المولدات العادية مع التغيرات في تردد الشبكة، ويمكن أن تمنح المولدات التقليدية فرصة للاستجابة للتغيرات المفاجئة للغاية في الطلب أو الإنتاج.
تُستخدم المحولات الكبيرة، المصنفة بعدة مئات من ميگاوات، لتوصيل الطاقة من أنظمة نقل التيار المستمر عالي الجهد إلى أنظمة توزيع التيار المتناوب.
العاكسات الشمسية
العاكس الشمسي هو أحد مكونات نظام التوازن (BOS) للنظام الكهروضوئي ويمكن استخدامه لكل من النظم المتصلة بالشبكة وخارج الشبكة. لعواكس الطاقة الشمسية وظائف خاصة مهيأة للاستخدام مع مصفوفات الطاقة الضوئية، بما في ذلك تتبع نقطة الاستطاعة العظمى ومنع التجزير. تختلف العاكسات الشمسية الصغيرة عن المحولات التقليدية، حيث يتم توصيل عاكس صغير فردي بكل لوحة شمسية. هذا يمكن أن يحسن الكفاءة الكلية للنظام. يتم بعد ذلك دمج الخرج من عدة محولات صغيرة وغالباً ما يتم تغذيته إلى الشبكة الكهربائية.
في تطبيقات أخرى، يمكن دمج العاكس التقليدي مع بنك بطارية يتم صيانته بواسطة جهاز التحكم بالشحن بالطاقة الشمسية. غالباً ما يشار إلى هذا المزيج من المكونات على أنه مولد للطاقة الشمسية.[15]
تسخين بالحث الكهرومغناطيسي
تقوم العاكسات بتحويل طاقة التيار المتناوب الرئيسية منخفضة التردد إلى تردد أعلى لاستخدامها في التسخين بالحث الكهرومغناطيسي. للقيام بذلك، يتم تصحيح طاقة التيار المتردد أولاً لتوفير طاقة التيار المستمر. يقوم العاكس بعد ذلك بتغيير طاقة التيار المستمر إلى طاقة تيار متردد عالية التردد. نظراً لانخفاض عدد مصادر التيار المستمر المستخدمة، يصبح الهيكل أكثر موثوقية ويكون جهد الخرج أكثر دقة بسبب زيادة عدد الخطوات بحيث يمكن تحقيق الجهد الجيبي المرجعي بشكل أفضل. أصبح هذا التكوين مؤخراً شائعاً جداً في إمداد طاقة التيار المتناوب وتطبيقات محرك السرعة القابلة للتعديل. يمكن لهذا العاكس الجديد تجنب الثنائيات الإضافية أو مكثفات موازنة الجهد.
هناك ثلاثة أنواع من تقنيات التعديل بتبديل المستوى، وهي:
- ترتيب عكس الأطوار (POD)
- ترتيب عكس الأطوار المتناوبة (APOD)
- ترتيب الأطوار (PD)
نقل طاقة تيار الجهد العالي المستمر
مع نقل طاقة HVDC، يتم تصحيح طاقة التيار المتناوب ويتم نقل طاقة التيار المستمر ذات الجهد العالي إلى موقع آخر. في موقع الاستلام، يقوم عاكس في محطة العاكس الثابت بتحويل الطاقة مرة أخرى إلى التيار المتناوب. يجب أن يكون العاكس متزامناً مع تردد الشبكة وطورها وتقليل التوليد التوافقي.
أسلحة الصعق الكهربائي
لأسلحة الصعق الكهربائي والصاعق الكهربائي عاكس DC/AC لتوليد عدة عشرات الآلاف من V AC من بطارية 9V DC صغيرة. أولاً، يتم تحويل 9 ڤولط تيار مستمر إلى 400-2000 ڤولط تيار متناوب مع محول مدمج عالي التردد، والذي يتم بعد ذلك تصحيحه وتخزينه مؤقتاً في مكثف عالي الجهد حتى يتم الوصول إلى عتبة الجهد المحددة مسبقاً. عندما يتم الوصول إلى العتبة (التي يتم ضبطها عن طريق فجوة هوائية أو ترياك)، يقوم المكثف بتفريغ حمولته بالكامل في محول النبض والذي بدوره يصل إلى جهد الخرج النهائي البالغ 20-60 كيلو ڤولط. يتم استخدام متغير من المصدر أيضاً في الفلاش الإلكتروني وصائدات الحشرات، على الرغم من أنهم يعتمدون على مكثف قائم على مضاعف جهد لتحقيق جهدها العالي.
العاكس المختلف الخصائص
تشمل التطبيقات النموذجية لمحولات الطاقة ما يلي:
- الأجهزة الاستهلاكية المحمولة التي تسمح للمستخدم بتوصيل البطارية، أو مجموعة من البطاريات، بالجهاز لإنتاج طاقة التيار المتناوب لتشغيل مختلف العناصر الكهربائية مثل الأضواء وأجهزة التلفزيون وأجهزة المطبخ وأدوات الطاقة.
- استخدامه في أنظمة توليد الطاقة مثل شركات المرافق الكهربائية أو أنظمة توليد الطاقة الشمسية لتحويل طاقة التيار المستمر إلى طاقة التيار المتناوب.
- استُخدم في أي نظام إلكتروني أكبر حيث توجد حاجة هندسية لاشتقاق مصدر التيار المتناوب من مصدر التيار المستمر.
- تحويل التردد - إذا كان المستخدم في (على سبيل المثال) بلد 50 Hz يحتاج 60 Hz لتزويد معدات الطاقة الخاصة بالتردد، مثل محرك صغير أو بعض الأجهزة الإلكترونية، فمن الممكن تحويل التردد عن طريق تشغيل عاكس بإخراج 60 هرتز من مصدر تيار مستمر مثل مصدر طاقة 12 ڤولط يعمل من تيارات 50 Hz.
وصف الدارة

التصميم الأساسي
في دائرة عاكس بسيطة واحدة، يتم توصيل طاقة التيار المستمر بمحول من خلال المفتاح المركزي للملف الأساسي. يتم تبديل مفتاح الترحيل بسرعة ذهاباً وإياباً للسماح للتيار بالتدفق مرة أخرى إلى مصدر التيار المستمر باتباع مسارين بديلين من خلال أحد طرفي الملف الأساسي ثم الآخر. ينتج عن تناوب اتجاه التيار في الملف الأولي للمحول تيار متردد (AC) في الدائرة الثانوية.
تشتمل النسخة الكهروميكانيكية لجهاز التبديل على جهتي اتصال ثابتتين ووصلة اتصال متحركة مدعومة بنابض. يحمل النابض جهة الاتصال المنقولة مقابل إحدى جهات الاتصال الثابتة ويسحب المغناطيس الكهربائي جهة الاتصال المنقولة إلى جهة الاتصال الثابتة المعاكسة. يتم مقاطعة التيار في المغناطيس الكهربائي بفعل عمل المفتاح بحيث يتحول المفتاح باستمرار سريعاً ذهاباً وإياباً. هذا النوع من التبديل العاكس الكهروميكانيكي، المسمى هزاز أو طنان كهربائي، كان يستخدم مرة واحدة في راديو السيارة ذو الأنبوب المفرغ. تم استخدام آلية مماثلة في أجراس الأبواب والصفارات وآلات الوشم.
عندما أصبحت متوفرة بمعدلات طاقة مناسبة، تم دمج الترانزستور وأنواع مختلفة أخرى من مفاتيح أشباه الموصلات في تصميمات دائرة العاكس. تصنيفات معينة، خاصة للأنظمة الكبيرة (عدة كيلووات) تستخدم الثايرستورات (SCR). توفر SCRs قدرة كبيرة على معالجة الطاقة في جهاز أشباه الموصلات، ويمكن التحكم فيها بسهولة عبر نطاق قدح متغير.
عندما لا يقترن بمحول خرج، التبديل في العاكس البسيط الموصوف أعلاه، ينتج جهد بشكل موجي مربع نظراً لإيقافه وبطبيعة الحال على عكس شكل الموجة الجيبية الذي يمثل الشكل الموجي المعتاد لمصدر طاقة التيار المتناوب. باستخدام تحليل فورييه، يتم تمثيل أشكال الموجة الدورية كمجموع لسلسلة لانهائية من الموجات الجيبية. تسمى الموجة الجيبية التي لها نفس التردد مثل شكل الموجة الأصلي للمكون الأساسي. الموجات الجيبية الأخرى، المسماة التوافقيات، المضمنة في السلسلة لها ترددات تعد مضاعفات متكاملة للتردد الأساسي.
يمكن استخدام تحليل فورييه لحساب التشويه التوافقي الكلي (THD). التشويه التوافقي الكلي (THD) هو الجذر التربيعي لمجموع مربعات الڤولتية التوافقية مقسوماً على الجهد الأساسي:
تصميمات متقدمة

هناك العديد من طوبولوجيا دارات الطاقة المختلفة و استراتيجيات التحكم المستخدمة في تصميمات العاكس.[16]تتناول مناهج التصميم المختلفة العديد من المشكلات التي قد تكون أكثر أو أقل أهمية اعتماداً على الطريقة التي يُقصد بها استخدام العاكس. على سبيل المثال، يمكن أن يتحول محرك كهربائي في سيارة تتحرك إلى مصدر للطاقة ويمكنه، باستخدام طوبولوجيا العاكس الأيمن (جسر إتش الكامل) شحن بطارية السيارة عند التباطؤ أو الكبح. بطريقة مماثلة، يمكن للطوبولوجيا الصحيحة (جسر إتش كامل) قلب أدوار "المصدر" و"الحمل"، أي إذا كان الجهد أعلى على جانب "الحمل" المتناوب (عن طريق إضافة عاكس شمسي، على غرار مجموعة جنرال، ولكن الحالة الصلبة)، يمكن أن تتدفق الطاقة مرة أخرى إلى "مصدر" التيار المستمر أو البطارية.
استناداً إلى طبولوجيا جسر إتش، هناك استراتيجيتان أساسيتان مختلفتان للتحكم تسمى محول الجسر الأساسي المتغير التردد والتحكم في PWM.[17] هنا، في الصورة اليسرى لدائرة جسر إتش، تم تسمية المفتاح الأيسر العلوي باسم "S1"، بينما تمت تسمية المفتاح الآخر باسم "S2 ،S3 ،S4" بترتيب عكس اتجاه عقارب الساعة.
بالنسبة لمحول الجسر الأساسي ذو التردد المتغير، يمكن تشغيل المفاتيح بنفس تردد التيار المتناوب في الشبكة الكهربائية (60 هرتز في الولايات المتحدة). ومع ذلك، فإن معدل فتح وإغلاق المفاتيح هو الذي يحدد تردد التيار المتناوب. عندما يكون S1 وS4 في وضع التشغيل والاثنان الآخران متوقفان، يتم تزويد الحمل بجهد موجب والعكس صحيح. يمكننا التحكم في حالات التشغيل والإيقاف للمفاتيح لضبط حجم التيار المتناوب والطور. يمكننا أيضاً التحكم في المفاتيح للتخلص من بعض التوافقيات. يتضمن ذلك التحكم في المفاتيح لإنشاء الشقوق، أو مناطق الحالة 0، في شكل الموجة الناتج أو إضافة مخرجات محولين أو أكثر على التوازي والتي يتم إزاحة الطور فيما يتعلق ببعضها البعض.
طريقة أخرى يمكن استخدامها هي PWM. على عكس محول الجسر الأساسي المتغير التردد، في إستراتيجية التحكم في PWM، يمكن أن يعمل مفتاحان فقط S3 وS4 عند تردد جانب التيار المتناوب أو عند أي تردد منخفض. سوف يتحول الآخران بشكل أسرع (عادةً 100 كيلو هرتز) لإنشاء جهود مربعة من نفس الحجم ولكن لمدة زمنية مختلفة، والتي تتصرف كجهد متغير الحجم في نطاق زمني أكبر.
هاتان الإستراتيجيتان تخلقان توافقيات مختلفة. بالنسبة للأول، من خلال تحليل فورييه، سيكون حجم التوافقيات 4/(pi*k) (k هو ترتيب التوافقيات). لذلك تتركز غالبية طاقة التوافقيات في التوافقيات ذات الترتيب الأدنى. وفي الوقت نفسه، بالنسبة لاستراتيجية PWM، تكمن طاقة التوافقيات في الترددات الأعلى بسبب التبديل السريع. تؤدي خصائصها المختلفة من التوافقيات إلى متطلبات إزالة THD والتوافقيات المختلفة. على غرار "THD"، يمثل مفهوم "جودة شكل الموجة" مستوى التشويه الذي تسببه التوافقيات. جودة شكل الموجة للتيار المتناوب التي يتم إنتاجها مباشرة بواسطة جسر إتش المذكورة أعلاه لن تكون جيدة كما نريد.
يمكن معالجة مسألة جودة شكل الموجة بعدة طرق. يمكن استخدام المكثفات والمستحثات لترشيح شكل الموجة. إذا تضمن التصميم محول، فيمكن تطبيق الترشيح على الجانب الأساسي أو الثانوي للمحول أو على كلا الجانبين. يتم تطبيق مرشحات الترددات المنخفضة للسماح للمكون الأساسي لشكل الموجة بالمرور إلى الخرج مع الحد من مرور المكونات التوافقية. إذا كان العاكس مصمماً لتوفير الطاقة بتردد ثابت، فيمكن استخدام مرشح الطنين. بالنسبة لمحول التردد القابل للضبط، يجب ضبط المرشح على تردد أعلى من الحد الأقصى للتردد الأساسي.
نظرًا لأن معظم الأحمال تحتوي على محاثات، غالباً ما يتم توصيل مقومات التغذية العكسية أو الديودات المضادات الموازية عبر كل مفتاح شبع موصل لتوفير مسار لتيار الحمل الاستقرائي الأقصى عند إيقاف تشغيل المفتاح. تشبه الثنائيات المتوازية إلى حد ما الثنائيات حرة الحركة المستخدمة في دارات محول التيار المتناوب/التيار المستمر.
شكل الموجة | تحويلات الإشارة لكل فترة زمنية |
استبعاد التوافقيات |
تضخيم التوافقيات |
وصف النظام |
THD |
---|---|---|---|---|---|
2 | موجة مربعة بمستويين |
~45%[18] | |||
4 | 3, 9, 27, … | موجة جيبية معدلة بثلاثة مستويات |
>23.8%[18] | ||
![]() |
8 | موجة جيبية معدلة بخمسة مستويات |
>6.5%[18] | ||
10 | 3, 5, 9, 27 | 7, 11, … | تعديل عرض النبضة بطيء جداً بمستويين |
||
12 | 3, 5, 9, 27 | 7, 11, … | تعديل عرض النبضة بطيء جداً بثلاثة مستويات |
يكشف تحليل فورييه أن شكل الموجة، مثل الموجة المربعة، التي تكون ضد التناظر عند نقطة 180 درجة تحتوي فقط على توافقيات فردية، الثالث والخامس والسابع وما إلى ذلك. يمكن أن تخفف أشكال الموجة التي تحتوي على درجات معينة من العرض والارتفاعات بعض التوافقيات الدنيا على حساب تضخيم التوافقيات الأعلى. على سبيل المثال، بإدخال خطوة جهد صفري بين المقاطع الموجبة والسالبة للموجة المربعة، يمكن التخلص من كل التوافقيات التي يمكن قسمة ثلاثة (الثالث والتاسع، إلخ). هذا يترك فقط الخامس والسابع والحادي عشر والثالث عشر وما إلى ذلك. العرض المطلوب للخطوات هو ثلث الفترة لكل خطوة من الخطوات الموجبة والسالبة وسدس الفترة لكل خطوة من خطوات الجهد الصفري.[19]
يعد تغيير الموجة المربعة كما هو موضح أعلاه مثالاً على تعديل عرض النبضة. غالباً ما يتم استخدام تعديل أو تنظيم عرض نبضة الموجة المربعة كطريقة لتنظيم أو ضبط جهد خرج العاكس. عندما لا يكون التحكم في الجهد مطلوباً، يمكن تحديد عرض نبضة ثابت لتقليل التوافقيات المحددة أو إزالتها. يتم تطبيق تقنيات الإزالة التوافقية عموماً على أدنى التوافقيات لأن الترشيح يكون أكثر عملية عند الترددات العالية، حيث يمكن أن تكون مكونات المرشح أصغر بكثير وأقل تكلفة. تنتج مخططات التحكم PWM "عرض النبضة المتعددة" أو "القائمة على الموجة الحاملة" أشكالاً موجية تتكون من العديد من النبضات الضيقة. يُطلق على التردد الذي يمثله عدد النبضات الضيقة في الثانية "تردد التبديل" أو "تردد الموجة الحاملة". غالباً ما تُستخدم مخططات التحكم هذه في محولات التحكم في المحركات ذات التردد المتغير لأنها تتيح نطاقاً واسعاً من جهد الخرج وتعديل التردد مع تحسين جودة شكل الموجة أيضاً.
توفر المحولات متعددة المستويات طريقة أخرى للإلغاء التوافقي. توفر المحولات متعددة المستويات شكل موجة خرج يعرض خطوات متعددة عند مستويات جهد مختلفة. على سبيل المثال، من الممكن إنتاج موجة جيبية أكثر من خلال وجود مدخلات تيار مستمر منقسم المسار عند جهدين، أو مدخلات موجبة وسالبة مع تأريض مركزي. من خلال توصيل محطات خرج العاكس بالتسلسل بين السكة الموجبة والأرض، المسار الموجب والمسار السالب، المسار الأرضي والمسار السالب، ثم كلاهما بالمسار الأرضي، يتم إنشاء شكل موجة متدرج عند خرج العاكس. هذا مثال على عاكس ثلاثي المستويات: الجهود والتأريض.[20]
المزيد عن تحقيق موجة جيبية
تنتج عاكسات الطنين موجات جيبية مع دارة مكثف-ملف لإزالة التوافقيات من موجة مربعة بسيطة. يوجد عادةً عدة دوائر LC متسلسلة ومتوازية الطنين، يتم ضبط كل منها على توافقي مختلف لتردد خط الطاقة. هذا يبسط الإلكترونيات، لكن المحاثات والمكثفات تميل إلى أن تكون كبيرة وثقيلة. تجعل كفاءتها العالية هذا النهج شائعاً في مصادر الطاقة اللامنقطعة في مراكز البيانات التي تقوم بتشغيل العاكس بشكل مستمر في وضع "متصل بالإنترنت" لتجنب أي تبديل مؤقت عند فقد الطاقة. (مقالة ذات صلة: عاكس رنان)
نهج وثيق الصلة يستخدم محول طنين ممغنط، المعروف أيضاً باسم محول الجهد الثابت، لإزالة التوافقيات وتخزين طاقة كافية للحفاظ على الحمل لبضع دورات التيار المتناوب. هذه الخاصية تجعلها مفيدة في مزودات الطاقة الاحتياطية للتخلص من التبديل العابر الذي يحدث بخلاف ذلك أثناء انقطاع التيار الكهربائي أثناء بدء تشغيل العاكس الخامل عادة وتتحول المرحلات الميكانيكية إلى خرجها.
التكمييم المحسن
يستخدم اقتراح مفترض في مجلة إلكترونيات الطاقة جهدين كتحسين للتقنية التجارية الشائعة، والتي يمكنها فقط تطبيق جهد ناقل التيار المستمر في أي اتجاه أو إيقاف تشغيله. يضيف الاقتراح جهداً متوسطاً إلى التصميم المشترك. ترى كل دورة التسلسل التالي من الڤولتية التي تم نقلها: v1, v2, v1, 0, −v1, −v2, −v1, 0.[18]
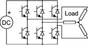
عاكسات ثلاثية الطور
تُستخدم العواكس ثلاثية الطور لتطبيقات محول تردد وتطبيقات الطاقة العالية مثل نقل الطاقة HVDC. يتكون العاكس الأساسي ثلاثي الطور من ثلاثة مفاتيح عاكس أحادية الطور، كل منها متصل بإحدى محطات الحمل الثلاثة. بالنسبة لمخطط التحكم الأساسي، يتم تنسيق تشغيل المفاتيح الثلاثة بحيث يعمل مفتاح واحد عند كل نقطة 60 درجة من شكل الموجة الناتج الأساسي. يؤدي هذا إلى إنشاء شكل موجي ناتج من خط إلى خط يتكون من ست خطوات. يحتوي الشكل الموجي المكون من ست خطوات على خطوة جهد صفري بين القسمين الموجب والسالب للموجة المربعة بحيث يتم التخلص من التوافقيات التي تكون مضاعفات الثلاثة كما هو موضح أعلاه. عندما يتم تطبيق تقنيات PWM القائمة على الموجة الحاملة على أشكال موجة من ست خطوات، يتم الاحتفاظ بالشكل العام الأساسي، أو الغلاف، لشكل الموجة بحيث يتم إلغاء التوافقي الثالث ومضاعفاته.
لإنشاء محولات ذات تصنيفات طاقة أعلى، يمكن توصيل محولات ثلاثية الطور من ست خطوات بالتوازي للحصول على تصنيف تيار أعلى أو في سلسلة للحصول على تصنيف جهد أعلى. في كلتا الحالتين، يتم إزاحة الطور في أشكال الموجة الناتجة للحصول على شكل موجة مكون من 12 خطوة. إذا تم دمج محولات إضافية، يتم الحصول على عاكس من 18 خطوة بثلاثة محولات وما إلى ذلك. على الرغم من أن المحولات يتم دمجها عادة بغرض تحقيق زيادة الجهد أو معدلات التيار، إلا أن جودة شكل الموجة تتحسن أيضاً.
الحجم
بالمقارنة مع الأجهزة الكهربائية المنزلية الأخرى، للمحولات كبيرة المقاس والحجم. في عام 2014، بدأت جوجل جنباً إلى جنب مع IEEE مسابقة مفتوحة باسم Little Box Challenge، مع جائزة مالية قدرها 1,000,000 دولار، لبناء عاكس طاقة أصغر (بكثير).[21]
تاريخ
العاكسات المبكرة
من أواخر القرن التاسع عشر وحتى منتصف القرن العشرين، تم تحويل الطاقة من التيار المستمر إلى التيار المتناوب باستخدام مجموعات محول دوار أو محرك-مولد (مجموعات MG). في أوائل القرن العشرين، بدأ استخدام الصمامات المفرغة وأنابيب التفريغ كمفاتيح في دوائر العاكس. كان أكثر أنواع الأنابيب استخداماً هو ثيراترون.
تشرح أصول المحولات الكهروميكانيكية مصدر مصطلح العاكس. استخدمت محولات التيار المتناوب إلى التيار المستمر المبكرة محركاً حثياً أو محرك تيار متناوب متزامن متصل مباشرة بمولد (دينامو) بحيث يقوم عاكس المولد بعكس توصيلاته في اللحظات المناسبة تماماً لإنتاج التيار المستمر. التطوير اللاحق هو المحول المتزامن، حيث يتم دمج لفات المحرك والمولد في حديد واحد، مع حلقات انزلاقية في أحد طرفيها ومبدل في الطرف الآخر وإطار مجال واحد فقط. النتيجة مع أي منهما هي تيار متناوب-دخل، تيار مستمر-خرج. مع مجموعة M-G، يمكن اعتبار أن التيار المستمر قد تم إنشاؤه بشكل منفصل عن التيار المتردد؛ باستخدام محول متزامن، بمعنى ما يمكن اعتباره "تيار متردد مصحح ميكانيكياً". بالنظر إلى المعدات المساعدة والتحكم الصحيحة، يمكن "تشغيل مجموعة M-G أو المحول الدوار"، وتحويل التيار المستمر إلى التيار المتناوب. ومن ثم فإن العاكس هو محول معكوس.[22]
عاكسات المقومات المتحكم بها
نظرًا لأن الترانزستورات المبكرة لم تكن متوفرة مع تصنيفات الجهد والتيار الكافيين لمعظم تطبيقات العاكس، فقد كان إدخال الثايرستور أو مقوم متحكم به بأشباه موصلات السليكون (SCR) هو الذي بدأ الانتقال إلى دوائر العاكس الحالة الصلبة.
تعد متطلبات التبديل الخاصة بـ SCR من الاعتبارات الرئيسية في تصميمات دوائر SCR. لا يتم إيقاف تشغيل SCR أو تبديل تلقائياً عند إيقاف تشغيل إشارة التحكم في البوابة. يتم إيقاف تشغيلها فقط عندما يتم تقليل التيار الأمامي إلى أقل من الحد الأدنى لتيار التثبيت، والذي يختلف مع كل نوع من أنواع SCR، من خلال بعض العمليات الخارجية. بالنسبة إلى SCRs المتصلة بمصدر طاقة التيار المتناوب، يحدث التبديل بشكل طبيعي في كل مرة ينعكس فيها قطبية جهد المصدر. عادةً ما تتطلب SCRs المتصلة بمصدر طاقة تيار مستمر وسيلة للتبديل القسري الذي يفرض التيار إلى الصفر عندما يكون التبديل مطلوباً. تستخدم دوائر SCR الأقل تعقيداً التبديل الطبيعي بدلاً من التخفيف القسري. مع إضافة دوائر التبديل القسري، تم استخدام SCRs في أنواع دوائر العاكس الموضحة أعلاه.
في التطبيقات التي تنقل فيها المحولات الطاقة من مصدر طاقة تيار مستمر إلى مصدر طاقة تيار متناوب، من الممكن استخدام دوائر مقوم يتحكم فيها التيار المتردد إلى تيار مستمر تعمل في وضع الانعكاس. في وضع الانعكاس، تعمل دائرة المعدل المتحكم به كعاكس تبديل للخط. يمكن استخدام هذا النوع من العمليات في أنظمة نقل الطاقة HVDC وفي تشغيل الكبح مع إعادة التوليد لأنظمة التحكم في المحرك.
نوع آخر من دارة العاكس SCR هو محول إدخال المصدر الحالي (CSI). فالعاكس CSI مزدوج من ست خطوات لمصدر الجهد العاكس. باستخدام عاكس المصدر الحالي، يتم تكوين مصدر طاقة التيار المستمر على أنه منبع تيار بدلاً من مصدر جهد. يتم تبديل SCRs العاكس في تسلسل من ست خطوات لتوجيه التيار إلى حمل التيار المتردد ثلاثي الطور كشكل موجة تيار متدرج. تتضمن طرق تبديل عاكس CSI تبديل الحمل واستبدال المكثف المتوازي. مع كلتا الطريقتين، يساعد التنظيم الحالي للإدخال على التخفيف. مع تخفيف الحمل، يكون الحمل عبارة عن محرك متزامن يعمل بعامل طاقة أساسي.
نظراً لأنها أصبحت متوفرة في تصنيفات الجهد والتيار العالي، فإن أشباه الموصلات مثل الترانزستورات أو IGBT التي يمكن إيقافها عن طريق إشارات التحكم أصبحت مكونات التبديل المفضلة للاستخدام في دوائر العاكس.
المقوم وأرقام نبض العاكس
غالباً ما يتم تصنيف دارات المعدل حسب عدد النبضات الحالية التي تتدفق إلى جانب التيار المستمر من المعدل لكل دورة من جهد دخل التيار المتناوب. إن مقوم نصف موجة أحادي الطور عبارة عن دارة أحادية النبضة و مقوم الموجة الكاملة أحادي الطور عبارة عن دائرة ثنائية النبض. المعدل نصف الموجي ثلاثي الطور عبارة عن دائرة ثلاثية النبضات ومعدل الموجة الكاملة ثلاثي الأطوار عبارة عن دائرة بستة نبضات.[23]
مع مقومات ثلاثية الطور، يتم توصيل مقومين أو أكثر في بعض الأحيان في سلسلة أو متوازية للحصول على معدلات جهد أو تيار أعلى. يتم توفير مدخلات المقوم من محولات خاصة توفر مخرجات متغيرة الطور. هذا له تأثير لمضاعفة الطور. يتم الحصول على ست أطوار من محولين، اثني عشر طور من ثلاثة محولات وما إلى ذلك. دوائر المعدل المترابطة هي مقومات ذات 12 نبضة، مقومات 18 نبضة وما إلى ذلك ...
عندما يتم تشغيل دارات المعدل المقوم به في وضع الانعكاس، فسيتم تصنيفها أيضاً حسب رقم النبض. دوائر المعدل التي تحتوي على عدد نبضات أعلى قللت المحتوى التوافقي في تيار إدخال التيار المتناوب وقللت التموج في جهد خرج التيار المستمر. في وضع الانعكاس، تحتوي الدوائر التي تحتوي على عدد نبضات أعلى على محتوى توافقي أقل في شكل موجة جهد خرج التيار المتناوب.
ملاحظات أخرى
كانت أجهزة التبديل الكبيرة لتطبيقات نقل الطاقة التي تم تركيبها حتى عام 1970 مستخدمة في الغالب صمام قوس-زئبقي. عادة ما تكون العواكس الحديثة صلبة (محولات ثابتة). تتميز طريقة التصميم الحديثة بمكونات مرتبة في تكوين جسر إتش. هذا التصميم شائع أيضاً مع الأجهزة الاستهلاكية الأصغر حجماً.[24][25]
انظر أيضاً
- CCFL inverter
- Distributed inverter architecture
- Electrical power converter
- مذبذب
- Pallet inverter
- Push–pull converter
- تضمين المتجه الفضائي
- تبديل قدرة المزوّد (SMPS)
- Synchronverter
- مزود الطاقة اللامنقطعة
- محول تردد
- Z-source inverter
المراجع
- ^ The Authoritative Dictionary of IEEE Standards Terms, Seventh Edition, IEEE Press, 2000,ISBN 0-7381-2601-2, page 588
- ^ "Inverter frequently asked questions". www.powerstream.com. Retrieved 2020-11-13.
- ^ [1] How to Choose an Inverter for an Independent Energy System
- ^ [2] The importance of total harmonic distortion, retrieved April 19, 2019
- ^ أ ب "E project" (PDF). www.wpi.edu. Retrieved 2020-05-19.
- ^ Stefanos Manias, Power Electronics and Motor Drive Systems, Academic Press, 2016, ISBN 0128118148, page 288-289
- ^ Stefanos Manias, Power Electronics and Motor Drive Systems, Academic Press, 2016, ISBN 0128118148 page 288
- ^ Barnes, Malcolm (2003). Practical variable speed drives and power electronics. Oxford: Newnes. p. 97. ISBN 978-0080473918.
- ^ "Inverter Basics and Selecting the Right Model - Northern Arizona Wind & Sun". www.windsun.com. Archived from the original on 2013-03-30. Retrieved 2011-08-16.
- ^ Tripp Lite: Power Inverter FAQ, http://www.tripplite.com/support/inverter-faq
- ^ "Inverter Battery Capacity Calculator & Easy To Follow Formula". InverterBatteries.in (in الإنجليزية الأمريكية). 2020-03-15. Retrieved 2020-07-22.
- ^ "New and Cool: Variable Refrigerant Flow Systems". AIArchitect. American Institute of Architects. 2009-04-10. Retrieved 2013-08-06.
- ^ "Toshiba Science Museum : World's First Residential Inverter Air Conditioner". toshiba-mirai-kagakukan.jp.
- ^ Du, Ruoyang; Robertson, Paul (2017). "Cost Effective Grid-Connected Inverter for a Micro Combined Heat and Power System" (PDF). IEEE Transactions on Industrial Electronics. 64 (7): 5360–5367. doi:10.1109/TIE.2017.2677340. ISSN 0278-0046. S2CID 1042325.
- ^ Mark (2019-11-27). "What is a Solar Generator & How Does it Work?". Modern Survivalists (in الإنجليزية الأمريكية). Retrieved 2019-12-30.
- ^ (Oct 2020) "Evaluation of MMCs for High-Power Low-Voltage DC-Applications in Combination with the Module LLC-Design".: 1–10. doi:10.23919/EPE20ECCEEurope43536.2020.9215687.
- ^ Kassakian, John G. (1991). Principles of Power Electronics. pp. 169–193. ISBN 978-0201096897.
- ^ أ ب ت ث James, Hahn. "Modifi ed Sine-Wave Inverter Enhanced" (PDF). Power Electronics.
- ^ "MIT open-courseware, Power Electronics, Spring 2007" (PDF). mit.edu.
- ^ Rodriguez, Jose; et al. (August 2002). "Multilevel Inverters: A Survey of Topologies, Controls, and Applications". IEEE Transactions on Industrial Electronics. 49 (4): 724–738. doi:10.1109/TIE.2002.801052. hdl:10533/173647.
- ^ "The Little Box Challenge, an open competition to build a smaller power inverter". Archived from the original on 2014-07-23. Retrieved 2014-07-23.
- ^ Owen, Edward L. (January–February 1996). "Origins of the Inverter". IEEE Industry Applications Magazine: History Department. 2 (1): 64–66. doi:10.1109/2943.476602.
- ^ D. R. Grafham; J. C. Hey, eds. (1972). SCR Manual (Fifth ed.). Syracuse, N.Y. USA: General Electric. pp. 236–239.
- ^ "ECCE" (PDF). web.eecs.utk.edu. 2011. Retrieved 2020-05-19.
- ^ "Archived copy" (PDF). Archived from the original (PDF) on 2014-03-27. Retrieved 2013-07-17.
{{cite web}}
: CS1 maint: archived copy as title (link)
للاستزادة
- Bedford, B. D.; Hoft, R. G.; et al. (1964). Principles of Inverter Circuits. New York: John Wiley & Sons, Inc. ISBN 978-0-471-06134-2.
- Mazda, F. F. (1973). Thyristor Control. New York: Halsted Press Div. of John Wiley & Sons. ISBN 978-0-470-58116-2.
- Ulrich Nicolai, Tobias Reimann, Jürgen Petzoldt, Josef Lutz: Application Manual IGBT and MOSFET Power Modules, 1. Edition, ISLE Verlag, 1998, ISBN 3-932633-24-5 PDF-Version
وصلات خارجية
- CS1 الإنجليزية الأمريكية-language sources (en-us)
- Articles with hatnote templates targeting a nonexistent page
- Missing redirects
- Short description is different from Wikidata
- Articles containing إنگليزية-language text
- Pages using Lang-xx templates
- مقالات ذات عبارات بحاجة لمصادر
- عاكس كهربائي
- مكونات أنظمة القدرة الكهربائية